john deere bush hog parts diagram

You can easily find replacement parts for your all your John Deere equipment on our website or in our stores. A digital database of Operator Diagnostic and Technical manuals for John Deere Products.


Z515e Owner Information Parts Service John Deere Us

Parts Catalog PC-614 127 Gyramor Rotary Cutter NOTE This is a completely revised parts catalog.

. Bush Hog Parts Parts Lookup It is our intention to provide our customers with a wide variety of quality parts at an affordable price. Shop the largest collection of Bush Hog Replacement Parts online. NOTA Esta es una revisin completa del catlogo de piezas.

JD-P-PC145113121368 JD-P-PC1451 John Deere. Also available as a pdf download. 50056370 SUBFRAME KIT Bush Hog CBH60 Backhoe Used on John Deere 3203 Tractor with John Deere.

3 PT Mount Parts. Tall Grasses Weeds and Brush Featuring sturdy double-deck design and consistent material flow medium-duty rotary cutters can tackle tall grasses tough weeds and up to 2-in. BLADE HOLDER AND DUAL BLADES.

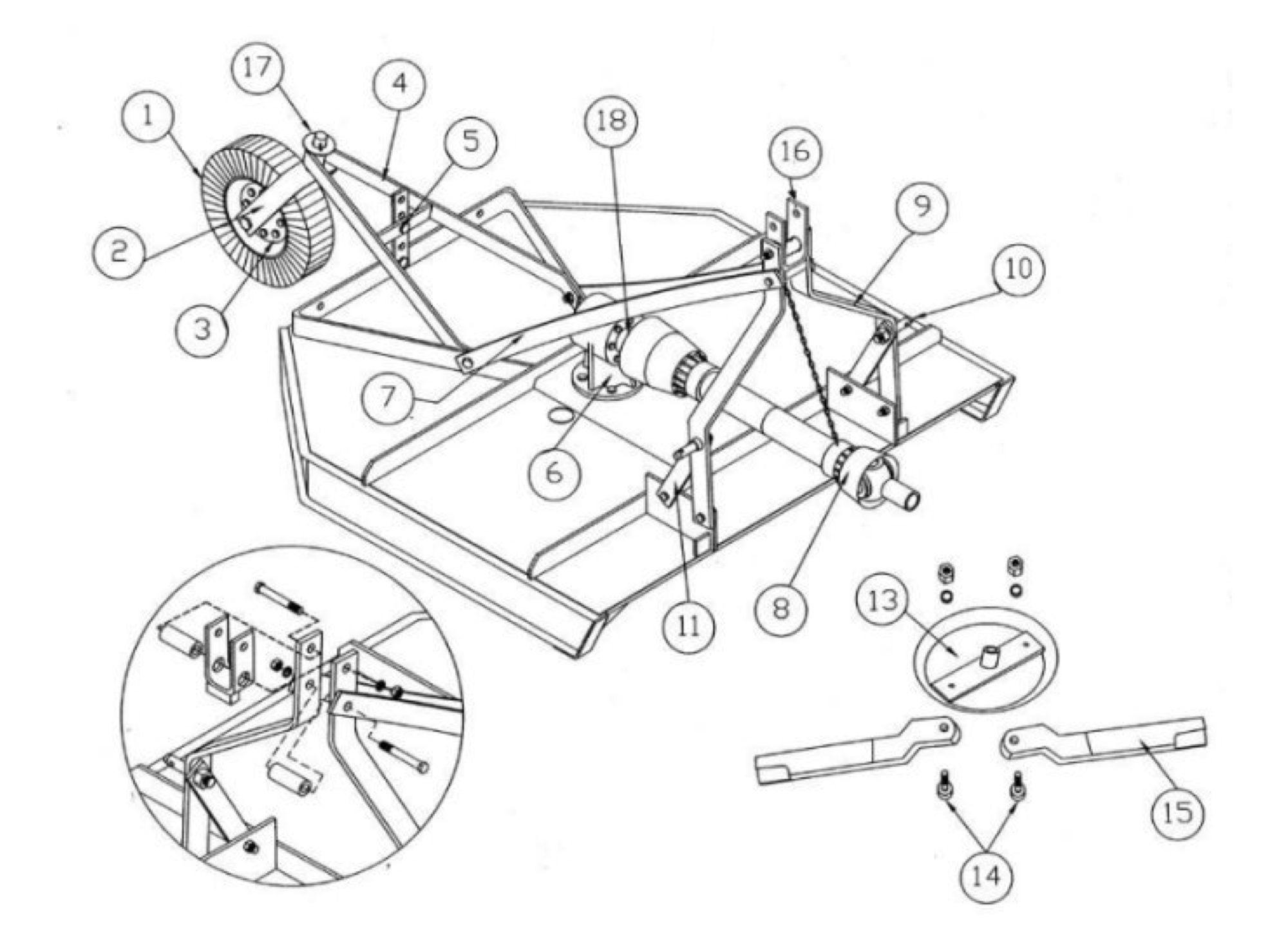
Axle Old Style top For 307 Models With Cuffs On The Axle. John Deere Lawn and Garden Tractor Parts. John Deere Parts Lookup -1008 ROTARY CUTTER.

OUTER GEAR CASE IBERICA RIGHT-HAND OFFSET PUL. Always in stock so you can get it fast. FRAME HITCH AND TAIL WHEEL INTEGRAL CUTTER A05.

Destruya su catcllogo anterior e inserte esta revision en su lugar. 506 and 606 Rotary Cutters. Flow Divider Kit For Skid Steer 50030918.

JACK STAND 606 PULL-TYPE. All parts are carefully cleaned and inspected to meet your. Manufactured 1999- -PC2790 oem.

Dis card the old catalog and insert this revision in its place. John Deere Lawn Tractor Parts. This Cylinder has been used under 2 different part numbers.

Versions are also available. John Deere Front Mower Parts. John Deere Compact Utility Tractor Parts.

SAFETY TOW CHAIN 606 PULL-TYPE CUTTER 1985- AG CCE. Bush Hog Parts 2 Other 44 Bush Hog Parts 2 Other 44 Parts Catalog Axle Arm Assembly PN 7158. John Deere Zero Turn Mower Parts.

John Deere CUTTER ROTARY MX8 MX10 Rotary Cutters MX8 Semi-Mount MX10 Pull-Type are shown. Your decision to buy only genuine Bush Hog parts will help you maintain your equipment in the safest most economical and best. Hydraulic Components - Obsolete.

By Hol-Mac 2 14 Bore x 1 12 Rod Dia. John Deere Parts Catalog menu Purchase from Select Your Dealer Shows pricing and availability add search New Parts Search 0 menu Your country is United States Change warning We are. We ship all in-stock parts ordered by 400 pm.

Jensales offers the finest in Manuals Parts and Decals. Bush Hog Decal 25H46298. This subscription allows users to connect to machines with an.

BLADE HOLDER AND SINGLE BLADES ROTARY CUTTER WITH. Hydraulic Cylinder Lift PN 64871 Mfg. EST the same day.

Welcome to Bush Hogs parts look-up and ordering website.


Amazon Com Fits John Deere 507 Rotary Cutter Parts Manual Gyramor Patio Lawn Garden


X300 Owner Information Parts Service John Deere Us


Center Gear Case 1000 Rpm 007899 Cutter Rotary John Deere Hx14 Cutter Rotary Hx14 Rotary Cutter Gear Cases And Blade Holders Center Gear Case 1000 Rpm 007899 777parts


John Deere Mx5 Mx6 Mx7 Rotary Cutters Manufactured 1999 Pc2816 Blade Holder Blades 013999 0 Non Sectionalized Catalog


Frame And Hitch Pull Type 041001 Cutter Rotary John Deere 709 Cutter Rotary 509 609 And 709 Rotary Cutters Frame Hitch And Wheels Frame And Hitch Pull Type 041001 777parts


X584 Owner Information Parts Service John Deere Us


Bush Hog Rb60r 5 Ft Rotary Cutter Parts Rb60r 5 Ft Rotary Cutter Tailwheel Assembly 12269 Parts List And Diagram


Rotary Cutters Fc15m Flex Wing Rotary Cutter John Deere Us


John Deere 509 609 709 Rotary Cutters Operators Manual


Business Industrial Used John Deere Operators Manual 1508 Rotary Cutter Omw21448 De2875933


John Deere 1008 Rotary Cutter Complete Constant Velocity Shafts


John Deere L100 L105 L107 L108 L110 L111 L118 Deck Parts


John Deere 1008 Rotary Mower In Mcpherson Ks Item 6095 Sold Purple Wave


King Kutter Rotary Cutter Parts Rotary Cutter Parts


Attachment Loader Skid Steer Attachment Rotary Cutter Mower Deck Rc72 Rc78 Epc John Deere Online


John Deere 207 Gyramor Rotary Cutter Mower Parts Catalog Manual For Sale Online Ebay


2020 John Deere Harvest Catalog By 21st Century Equipment Llc Issuu

Iklan Atas Artikel

Iklan Tengah Artikel 1

Iklan Tengah Artikel 2

Iklan Bawah Artikel